Реле переменного тока РСТ-42ВДУ

В наличии
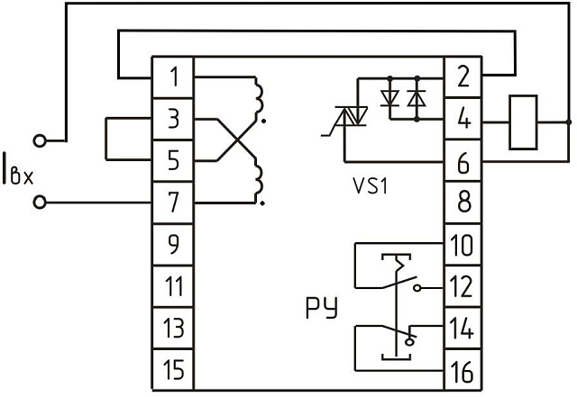
Двухфазное реле максимального тока с независимой выдержкой времени, токовой отсечкой, дешунтированием и указательным реле РСТ-42ВДУ Реле РСТ-42ВДУ заменяет РТ-40 (4 реле), РСВ-13, РП-360 и РУ-21. 
  • Описание
  • Характеристики
  • Оплата и доставка
Реле применяются в цепях переменного тока релейной защиты и противоаварийной автоматики, выполненных по схеме с дешунтированием, в качестве органа, реагирующего на повышение тока в контролируемой цепи и срабатывающего с независимой выдержкой времени с действием на дешунтирование токовой обмотки отключения силового выключателя, и предназначены для использования в различных комплектных устройствах, от которых требуется повышенная устойчивость к механическим воздействиям.

Описание

Двухфазное реле максимального тока с независимой выдержкой времени, токовой отсечкой, дешунтированием и указательным реле РСТ-42ВДУ

Основные достоинства реле РСТ-42ВДУ:

  • Реле не требуют питания от цепей оперативного тока;

  • Реле с независимой выдержкой времени и токовой отсечкой;

  • В одном реле два функциональных элемента – измерительный орган тока и орган выдержки времени;

  • Реле выполнено на микроэлектронной элементной базе, поэтому в отличие от принципиально отсутствует вибрация контактов (как у реле переменного тока), и оно не является источником помех в цепях оперативного питания (как реле времени с часовым механизмом);

  • Световая индикация срабатывания отсечки и пуска МТЗ;

  • Обладает усиленными переключающими контактами, предназначенными для шунтирования — дешунтирования цепи отключающей катушки выключателя;

  • Встроенное указательное реле.

Условия эксплуатации реле РСТ-42ВДУ:

  • Реле изготавливаются в климатическом исполнении УХЛ категории размещения «4» по ГОСТ 15150-69 для России и поставок на экспорт в страны с умеренным климатом;

  • Высота над уровнем моря не более 2000 м;

  • Верхнее рабочее и предельное значение температуры окружающего воздуха плюс 55оС; нижнее рабочее и предельное значение температуры окружающего воздуха минус 40оС (без выпадения росы и инея);

  • Верхнее значение относительной влажности не более 80% при 25оС для вида климатического исполнения УХЛ4 и не более 98 % при 35оС для вида климатического исполнения О4 (без конденсации влаги);

  • Окружающая среда невзрывоопасная, не содержащая токопроводящей пыли, агрессивных газов и паров в концентрациях, разрушающих изоляцию и металлы;

  • Величины механических воздействий не должны превышать: вибрационные нагрузки с максимальным ускорением 3g в диапазоне частот от 5 до 15 Гц и 1g в диапазоне частот от 16 до 100 Гц; многократные удары с длительностью удара от 2 до 20 мс и ускорением до 3g.

1. Исполнения реле по току срабатывания

Исполнение по току    

   Соединение обмоток

   Уставки тока срабатывания, А

   Уставки тока срабатывания органа отсечки, А

  Номинальный ток *, А

Диапазон

 Дискретность

Диапазон

Дискретность

02

Последов.

0,5 — 1,275

0,025

1 — 8,75

0,25

1

Паралл.

1 — 2,55

0,05

2 — 17,5

0,5

2

06

Последов.

1,5 — 3,825

0,075

3 — 26,25

0,75

3

Паралл.

3 — 7,65

0,15

6 — 52,5

1,5

6

10

Последов.

2,5 — 6,375

0,125

5 — 43,75

1,25

5

Паралл.

5 — 12,75

0,25

10 — 87,5

2,5

10

20

Последов.

5 — 12,75

0,25

10 — 87,5

2,5

10

Паралл.

10 — 25,5

0,5

20 - 175

5

16

* - без учета цепей дешунтирования

2. Исполнения реле по времени срабатывания

 Обозначение 

   Диапазон уставок по времени, с     

   Дискретность изменения, с 

03

0,05 — 3,15

0,05

06

0,1 — 6,3

0,1

12

0,2 — 12,6

0,2

25

0,4 — 25,2

0,4

37

0,6 — 37,8

0,6

3. Варианты исполнения РСТ-42ВДУ по функции выходных реле

 № варианта    

  Дешунтирование     

  Выходное реле 2    

 Выходное реле 3    

 Указательное реле 

1

Отсечка

МТЗ

Пуск МТЗ*

Отсечка

2

МТЗ+отсечка

_

Пуск МТЗ*

Отсечка

3

МТЗ+отсечка

_

Пуск МТЗ*

МТЗ+отсечка

4

МТЗ

Отсечка

Пуск МТЗ*

МТЗ

* - с возвратом при срабатывании МТЗ

Технические данные


Технические характеристики реле РСТ-42ВДУ

 № 

Наименование параметра

Значение

1

   Коэффициент возврата, не менее:

   - ступени МТЗ

   - отсечки


0,9

0,8

2

   Время срабатывания токовых органов:

   - ступень МТЗ (на нулевой уставке по времени), не более


    - отсечка, не более

0,15 с при токе 1,2Iср

0,05 с при токе 3Iср

0,05 с при токе 1,2Iср.отс

0,03 с при токе 3Iср.отс

3

   Мощность, потребляемая реле при токе, равном минимальной уставке каждого диапазона 

(без учета цепей дешунтирования), не более

2 ВА

4

   Длительно допустимый ток цепей дешунтирования на каждую фазу,

   не более:

   - с кожухом

   - без кожуха



5 А

12 А

5

   Выходы дешунтирования способны шунтировать и дешунтировать управляемую цепь при токах до 150 А, если 

   управляемая цепь питается от трансформатора тока и ее импеданс, не более:

   - при токе 4 А

   - при токе 50 А



4 Ом

1,5 Ом

6

   Длительно допустимый ток цепей дешунтирования на каждую фазу:

   - с кожухом

   - без кожуха


Не более 5 А

Не более 12 А

7

   Выходы дешунтирования способны шунтировать и дешунтировать управляемую цепь при токах до 150 А, 

   если управляемая цепь питается от трансформатора тока и ее импеданс:

   - при токе 4 А

   - при токе 50 А



Не более 4 Ом

не более 1,5 Ом

8

   Средняя наработка на отказ, не менее

12 500 циклов ВО

9

   Средний ресурс, не менее

100 000 циклов ВО

10

   Габариты, mах

225 х 156 х 187 мм

11

   Масса, не более

2,5 кг

Параметры выходных контактов

Выходные реле 

  Стандартное   

  С усиленными контактами    

  Указательное реле

Количество и типы выходных контактов (примечание):

0 — нет реле;

з — замыкающий;

п — переключающий;

р — размыкающий;

у — усиленные контакты

0, 1з1р, 2з, 2р, 1п

1зу, 1ру, 1пу

1з1р, 2з, 2р, 1п

   Коммутируемая мощность при напряжении от 24 до 250 В:

- переменного тока при cosφ > 0,5

- постоянного тока для τ < 0,005 c


300 ВА

20 Вт


600 ВА

40 Вт

_

Коммутируемая мощность при напряжении от 12 до 250 В:

- переменного тока при cosφ=0,4

- постоянного тока для τ=0,02 c




160 ВА

30 Вт

Ток отключения, не более

5 А

10 А

4 А

Длительно допустимый ток

8 А

16 А

4 А

Минимальный ток контактов:

- при напряжении не ниже 60 В

- при напряжении не ниже 24 В


0,005 А

0,0125 А


0,005 А

0,0125 А

_

Оплата товара осуществляется по  безналичному расчету.
  • Безналичный расчет 

Доставка

Если вы забираете ваши товары самостоятельно, то вам необходимо будет связаться с нашими менеджерами, чтобы согласовать время отгрузки.

Доставка осуществляется за счёт плательщика, вам необходимо будет связаться с нашими менеджерами, чтобы согласовать время отгрузки.


Заказать звонок

Укажите свой контактный телефон, и мы перезвоним вам в течении 5 минут

Отправить заявку
Прикрепить свои файлы